消防設施維護測試保養作業指導書系列二:消防供水設施及水滅火系統(消火栓、噴淋、水噴霧、泡沫滅火系統等)

消防設施維護測試保養作業指導書系列二
消防供水設施
外觀檢查(巡查)內容
高位消防水箱
1)觀察消防水箱的自動補水裝置運行狀態。

2)檢查承重結構、檢修口、基礎、檢修通道或梯子,應無腐蝕、銹蝕、機械損壞。
3)檢查水箱內部,應無沉淀物、雜物,應無凍結現象,檢查與水箱連接的法蘭、防水套管的螺栓,不應出現銹蝕和滲漏現象。
4)金屬水箱應無腐蝕、銹蝕、機械損傷。
5)檢查消防水箱儲水量、水位、水質情況,與生活合用時保證消防用水不作他用的措施。
6)就地水位顯示裝置及高低水位報警顯示裝置工作狀態正常。

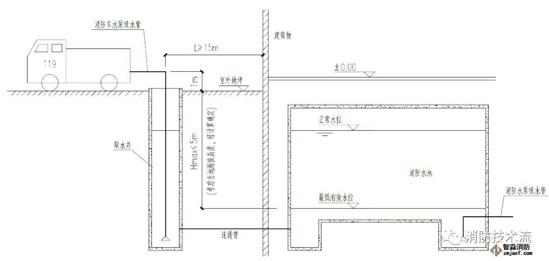
消防水池
1)消防水池設置有取水口或取水井的(供消防車取水的消防水池),觀察取水口或取水井的吸水高度不大于 6.0m。

2)觀察消防水池儲水量、水位、水質情況,與生活合用時保證消防用水不作他用的措施。
3)觀察消防水池的自動補水裝置運行狀態。
4)檢修梯子應無腐蝕、銹蝕、機械損壞等現象,檢查與水池連接的法蘭、防水套管的螺栓,不應出現銹蝕和滲漏現象。
5)就地水位顯示裝置及高低水位報警顯示裝置工作狀態正常。
消防水泵、穩壓設施
1)檢查消防水泵、穩壓泵控制柜外觀,應無銹蝕,指示燈應正常。
2)檢查消防水泵、穩壓泵及氣壓罐,應無銹蝕,無漏水、滲水等現象。
3)檢查吸水及出水管網,應無銹蝕、滲水等情況。
4)壓力表讀數應正常,啟、停泵壓力值應符合設計要求。
5)檢查消防水泵、穩壓泵的文字、方向等標識,不應缺損。
6)消防水泵應安裝牢固,緊固螺絲無松動。
7)檢查水泵電機外觀,標識應清楚,銘牌應清晰。
8)檢查水泵接地線,應安裝牢固。

水泵接合器
1)檢查水泵接合器,應有標明其所屬系統的明顯的永久性固定標志。
2)檢查水泵接合器外觀,應無銹蝕、滲水等情況,配件齊全完好。
3)檢查水泵接合器周圍環境,清理、移除障礙物。
閥門、管網及附件
1)閥門開閉應靈活,關閉應嚴密,無滲水等現象。
2)閥門手柄應完好,閥桿潤滑良好,外觀干凈整潔,無銹蝕。
3)管網標志應清晰,無滲水,無銹蝕。
4)閥門常開常閉等標識應清晰、正確。
5)自動排氣閥(一般設置在管網最高處)應完好無損。
6)管道支吊架應牢固,完好無銹蝕。
7)壓力表、安全泄壓閥、減壓閥組、流量測試裝置等外觀及運行狀況。
功能測試內容
蘇州智淼消防主營:應急管理部發布最新消防檢測儀器設備全套配備、防雷檢測裝置,火災現場勘查箱、消防監督檢查驗收箱、消防測試煙槍、試水裝置、建筑消防設施檢測箱、電氣防火檢測設備等,消防檢測設備網址:http://www.humadex.cn/;電話:18910580194(何經理)
推薦文章
- 高壓細水霧+氣體滅火聯動程序,一文吃透
- 消防總隊回復:持結業證值班需承擔什么法律責任?
- 【消防安全管理25項記錄】從日常到應急全面覆蓋
- 知名企業“消防控制室無人值班”被罰4000元!
- 12月一批消防新規即將施行,涉及多個省市與行業領域
- 《文化旅游建筑消防設計技術要點》之暖通專業(含防排煙)
- 司法部《行政執法人員行為準則》全文:嚴禁越權執法、不作為、慢作為
- 氣體滅火系統管道管件材質要求
- 室內消火栓、室外消火栓的保護距離是直線距離還是行走距離
- 14個強制性國家標準發布!覆蓋消防管理、火災探測報警、消防器具配件、防火涂料等重點領域






蘇公網安備32058102002157號